BAU-Forum: Neubau
Neueste Forums-Bilder
Forums-Beiträge
⇐ Neuere Forums- und Blog-Beiträge anzeigen
15801: Planungsunterlagen verbindlich bei Eigentumswohnung? Rasenfläche, Abnahme & Gewährleistung 02.05.2016
- ✨ Beurteilung des Sachverhalts durch verschiedene KI-Systeme 16.01.2026
- Rechtsberatung: Bauträgervertrag – Anwaltliche Prüfung empfohlen 02.05.2016
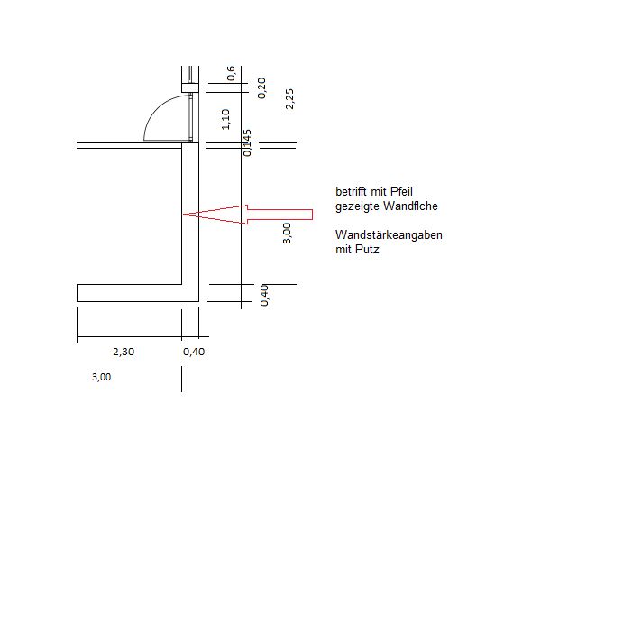
- Bauträgervertrag: Gültigkeit von Plänen & Beschreibungen festlegen! 22.05.2016
- 📌 Zusammenfassung der Diskussionsbeiträge - Stand: 16.01.2026 16.01.2026
15800: Grundstückskauf: Hang nicht im Kaufvertrag – Welche Rechte haben Käufer? Kosten? 01.05.2016
- ✨ Beurteilung des Sachverhalts durch verschiedene KI-Systeme 16.01.2026
- Grundstückskauf: Fachanwalt prüft Pläne & Verträge! 02.05.2016
- Bauabnahme: Mangel nicht protokolliert = Rechtsverlust? 03.05.2016
- Rechtsanspruch Hang: Anwalt statt Wiki-Beratung! 03.05.2016
- Gutachter im Baurecht: Objektivität vs. Parteilichkeit 07.05.2016
- 📌 Zusammenfassung der Diskussionsbeiträge - Stand: 16.01.2026 16.01.2026
15799: Brandschutz Anbau Garage: Holzkonstruktion, Metallverkleidung – Was ist zu beachten? 11.04.2016
- ✨ Beurteilung des Sachverhalts durch verschiedene KI-Systeme 16.01.2026
- Garagenanbau: Baurecht & WEG-Recht beachten! 11.04.2016
- Klarstellung: Grundstück vs. Gemeinschaftseigentum 12.04.2016
- WEG-Regeln: Bebauung trotz Dreieck im Aufteilungsplan? 12.04.2016
- Anbau Garage: Grundstückssituation & Wanddurchbruch 12.04.2016
- Fertiggarage: Statik vor Wanddurchbruch prüfen! 12.04.2016
- 📌 Zusammenfassung der Diskussionsbeiträge - Stand: 16.01.2026 16.01.2026
15798: Grundstückskaufvertrag mit Baufirma: Vermessungsfehler, Grenzabstand & Zugangsrecht – Rechte als Bauherr? 08.04.2016
- ✨ Beurteilung des Sachverhalts durch verschiedene KI-Systeme 16.01.2026
- Baurecht: Anwalt einschalten – Bei Problemen mit Baufirma! 08.04.2016
- Vermessungsfehler: Haftung klären – Ursachenanalyse beim Bau! 10.04.2016
- 📌 Zusammenfassung der Diskussionsbeiträge - Stand: 16.01.2026 16.01.2026
15797: Holzbalkendecke im Schalstein: Einbetonieren? Risiken, Alternativen & Statik-Check 07.04.2016
- ✨ Beurteilung des Sachverhalts durch verschiedene KI-Systeme 16.01.2026
- Statikprüfung: Holzbalkendecke im Schalstein-Anbau notwendig! 07.04.2016
- 🔴 Holzbalkendecke: Einbetonieren birgt Risiken durch Feuchtigkeit! 07.04.2016
- 💰 Schalstein vs. Porenbeton: Kosten & U-Wert im Vergleich 07.04.2016
- Porenbetonwand: Ringbalken-Dimensionierung & Wandstärke-Anforderungen 07.04.2016
- Bauantrag & Statik: Holzbalkendecke mit ISORAST-System geplant 07.04.2016
- Alternative: ISORAST F-90 Stein für wasserdichte Stahlbetonwand 07.04.2016
- WU-Beton: Anforderungen an Sieblinie & Dicke bei Schalsteinen 12.04.2016
- 📌 Zusammenfassung der Diskussionsbeiträge - Stand: 16.01.2026 16.01.2026
15796: Einfahrt befestigen ohne Pflaster: Günstige Alternativen, Kosten & Vor- und Nachteile? 29.03.2016
- ✨ Beurteilung des Sachverhalts durch verschiedene KI-Systeme 16.01.2026
- Lach 29.03.2016
- hmmm... 29.03.2016
- Funzt nicht. 29.03.2016
- Wegebefestigung: Kies ohne Null für Einfahrt – Erfahrungen? 30.03.2016
- 📌 Zusammenfassung der Diskussionsbeiträge - Stand: 16.01.2026 16.01.2026
15795: Neubau: Welches Mauerwerk ist optimal? Kosten, Dämmwerte & Vergleich 21.03.2016
- ✨ Beurteilung des Sachverhalts durch verschiedene KI-Systeme 16.01.2026
- Mauerwerk Neubau: Vergleich von Materialien unerlässlich 23.03.2016
- EnEV-Anforderungen: Alle Mauerwerk-Materialien im Vergleich 23.03.2016
- Schrauben und Dübel 23.03.2016
- Keine Panik 24.03.2016
- Neubau Mauerwerk: Danke für die Infos zum Wandaufbau! 24.03.2016
- Neubau: Mauerwerk-Wahl und der Wiederverkaufswert des Hauses 26.03.2016
- YTONG vs. WDVS: Vor- & Nachteile beim Neubau-Mauerwerk 30.03.2016
- 📌 Zusammenfassung der Diskussionsbeiträge - Stand: 16.01.2026 16.01.2026
15794: Bodenbelag online kaufen: Erfahrungen, Risiken & Tipps für den sicheren Kauf? 08.03.2016
- ✨ Beurteilung des Sachverhalts durch verschiedene KI-Systeme 16.01.2026
- Bodenbelag online kaufen: Nur bei Online-Verlegung sinnvoll? 08.03.2016
- Bodenbelag online: Welche Art von Boden wird gesucht? 09.03.2016
- Parkett online kaufen: Erfahrungen & Alternativen gesucht 09.03.2016
- Parkett online: Qualitätsrisiken & Lagerung beachten! 09.03.2016
- Bodenbelag online: Arbeiten Verleger mit Online-Shops? 09.03.2016
- Bodenleger-Bezugsquellen: Ihre Sorge, nicht Ihre! 09.03.2016
- 📌 Zusammenfassung der Diskussionsbeiträge - Stand: 16.01.2026 16.01.2026
15792: Unterspannbahn Abroller/Halterung für Dach gesucht: Hersteller finden & Bezugsquellen? 22.02.2016
- ✨ Beurteilung des Sachverhalts durch verschiedene KI-Systeme 16.01.2026
- Unterspannbahn Abroller: Hersteller-Info – Älterer Thread 20.02.2017
- 📌 Zusammenfassung der Diskussionsbeiträge - Stand: 16.01.2026 16.01.2026
15791: Erdberührter Fußbodenaufbau: Dämmung, Abdichtung & Aufbau-Varianten im Vergleich 21.01.2016
- ✨ Beurteilung des Sachverhalts durch verschiedene KI-Systeme 16.01.2026
- Leichtschüttung statt Leuchtschüttung? – Klärung & Verwendung 22.01.2016
- Stahlbeton Bodenplatte: 25 cm – Bunker oder Standard? 22.01.2016
- 📌 Zusammenfassung der Diskussionsbeiträge - Stand: 16.01.2026 16.01.2026
15790: Splintholzkäfer im Neubau: Erkennung, Bekämpfung in Kunststofffenstern & Vorbeugung? 17.01.2016
- ✨ Beurteilung des Sachverhalts durch verschiedene KI-Systeme 16.01.2026
- Splintholzkäfer: Anticimex-Infos zur Bekämpfung 17.01.2016
- 📌 Zusammenfassung der Diskussionsbeiträge - Stand: 16.01.2026 16.01.2026
15789: Fertiggarage für Einfamilienhaus: Vorteile, Nachteile & Kosten im Überblick? 30.12.2015
- ✨ Beurteilung des Sachverhalts durch verschiedene KI-Systeme 16.01.2026
- Fertiggarage: Hersteller-Robustheit & Standort-Eignung 05.05.2016
- 📌 Zusammenfassung der Diskussionsbeiträge - Stand: 16.01.2026 16.01.2026
15788: Druckschwankungen Fußbodenheizung trotz geschlossenem Haupthahn? Ursachen & Lösungen 22.12.2015
- ✨ Beurteilung des Sachverhalts durch verschiedene KI-Systeme 16.01.2026
- Druckverlust Fußbodenheizung: Undichtigkeit vs. Temperatur 14.02.2016
- 📌 Zusammenfassung der Diskussionsbeiträge - Stand: 16.01.2026 16.01.2026
15787: Muster-Baubeschreibung: Was ist zu beachten? Checkliste & Vorlage 17.12.2015
- ✨ Beurteilung des Sachverhalts durch verschiedene KI-Systeme 16.01.2026
- Erstens... 18.12.2015
- Baubeschreibung: Bauträger-Kosten für Ausfüllen – Angemessen? 19.12.2015
- Baubeschreibung: Unvollständiges Verständnis vermeiden 20.12.2015
- Bauvertrag: Unverständliche Baubeschreibungen – Schutz für Bauherren 20.12.2015
- @ Nachdenklicher... 20.12.2015
- 📌 Zusammenfassung der Diskussionsbeiträge - Stand: 16.01.2026 16.01.2026
15786: Deckenbau Berufe: Aufgaben, Ausbildung & Spezialisierungen im Überblick? 16.12.2015
- ✨ Beurteilung des Sachverhalts durch verschiedene KI-Systeme 16.01.2026
- Deckenbau: Betonbauer – Aufgaben und Qualifikation im Überblick 10.03.2016
- Deckenbau: Betonbauer – Ausbildung, Gesellen- & Meisterprüfung 10.03.2016
- 📌 Zusammenfassung der Diskussionsbeiträge - Stand: 16.01.2026 16.01.2026
15785: Schnellzement und verzinkter Stahl: Korrosion vermeiden? Risiken & Alternativen 05.12.2015
- ✨ Beurteilung des Sachverhalts durch verschiedene KI-Systeme 16.01.2026
- Schnellzement: Zusammensetzung & Korrosionsschutz für Stahl 03.03.2016
- 📌 Zusammenfassung der Diskussionsbeiträge - Stand: 16.01.2026 16.01.2026
15784: Flachdach-Terrasse ohne Bodenmontage: Geländer-Lösungen, Aufbau & Kosten 01.12.2015
15783: Spülschächte im Garten: Wertminderung, Ausgleich & Rechte als Wohnungseigentümer? 23.11.2015
15782: Aushubarbeiten: Unerwartete Mehrkosten & Risiken beim Bodenaushub? 22.11.2015
- ✨ Beurteilung des Sachverhalts durch verschiedene KI-Systeme 16.01.2026
- Aushub: Gefahr für Nachbarhaus – Lösung für Fundamentaushub 22.11.2015
- 📌 Zusammenfassung der Diskussionsbeiträge - Stand: 16.01.2026 16.01.2026
15781: Bautrocknung bei Schnellestrich im Neubau: Notwendigkeit, Dauer & Alternativen? 15.11.2015
- ✨ Beurteilung des Sachverhalts durch verschiedene KI-Systeme 16.01.2026
- Thermo-Hygrometer: Raumklima-Überwachung bei Schnellestrich 15.11.2015
- 📌 Zusammenfassung der Diskussionsbeiträge - Stand: 16.01.2026 16.01.2026
15780: Außenanlage Leistungsumfang: Bauträgerpflichten, Mängel & Sondernutzungsrecht? 20.10.2015
- ✨ Beurteilung des Sachverhalts durch verschiedene KI-Systeme 16.01.2026
- Außenanlage: WEG muss Bauträger zur Fertigstellung auffordern! 21.10.2015
- 📌 Zusammenfassung der Diskussionsbeiträge - Stand: 16.01.2026 16.01.2026
15779: Röben Poroton T9 vs. Wienerberger T8: Vergleich, U-Wert, Kosten & Alternativen? 11.10.2015
- ✨ Beurteilung des Sachverhalts durch verschiedene KI-Systeme 16.01.2026
- Poroton T9: Verarbeitungshinweise – Sprödigkeit & Dübellöcher 03.12.2016
- 📌 Zusammenfassung der Diskussionsbeiträge - Stand: 16.01.2026 16.01.2026
15778: Außenanlage Leistungsumfang: Pflaster, Begrünung, Planung – Was ist im Bau enthalten? 15.09.2015
- ✨ Beurteilung des Sachverhalts durch verschiedene KI-Systeme 16.01.2026
- Sondernutzungsrecht: Bauträger-Fehler und Leistungspflichten 16.09.2015
- Außenanlage: Unklare Baubeschreibung – Was bedeutet 'Planung'? 16.09.2015
- Nachträgliche Vertragsänderung: Bauträger schließt Sondernutzungsflächen aus 16.09.2015
- Außenanlage-Planung: Architekt oder Makler als Informationsquelle? 16.09.2015
- Sondereigentum: Teilungserklärung und Pläne – Wo finde ich sie? 17.09.2015
- Sondernutzungsrecht: Leistungsumfang der Rasenfläche unklar 17.09.2015
- Vertragsauslegung: Außenanlage – Was darf der Laie erwarten? 18.09.2015
- Außenanlage-Planung: Risiko nachträglich erstellter Pläne? 19.09.2015
- Checkliste: Werbebroschüre, Kaufvertrag, Bauamt – Unterlagensuche! 21.09.2015
- Leistungsumfang Außenanlage: Detailangaben fehlen in Plänen 21.09.2015
- Sondereigentum: Rasenfläche im Plan – Außenanlage enthalten? 22.09.2015
- Beweislast: Bauträger verweigert Herausgabe der Rasenflächen-Pläne 09.10.2015
- 📌 Zusammenfassung der Diskussionsbeiträge - Stand: 16.01.2026 16.01.2026
15777: Schimmelbildung zwischen Dampfsperre & Horizontalsperre: Ursachen, Risiken & Sanierung? 13.08.2015
15776: Massivhaus bauen Teltow Potsdam: Rohbau-Firma mit Meisterbrief – Angebote & Kosten? 12.08.2015
- ✨ Beurteilung des Sachverhalts durch verschiedene KI-Systeme 16.01.2026
- Massivhaus Rohbau: E-Mail-Kontakt für Angebote in Teltow 13.08.2015
- Rohbau Angebote: Bauvertrag für Massivhaus in Potsdam? 25.08.2015
- Massivhaus Rohbau: Kontaktdaten für Angebote aus Teltow 06.09.2015
- 📌 Zusammenfassung der Diskussionsbeiträge - Stand: 16.01.2026 16.01.2026
15775: Horizontalsperre in Sohle beschädigt: Ursachen, Risiken & Sanierungsmöglichkeiten? 14.06.2015
- ✨ Beurteilung des Sachverhalts durch verschiedene KI-Systeme 16.01.2026
- Bauleiter-Pflichten: Mängelanzeige bei Horizontalsperre-Schäden 15.06.2015
- 📌 Zusammenfassung der Diskussionsbeiträge - Stand: 16.01.2026 16.01.2026
15774: Hauskauf vom Bauträger: Bezugsfertigkeit, Außenanlagen & Mängel – Was ist im Vertrag möglich? 24.05.2015
- ✨ Beurteilung des Sachverhalts durch verschiedene KI-Systeme 16.01.2026
- Vertragsfreiheit beim Hauskauf – Konkreten Fall schildern! 26.05.2015
- 📌 Zusammenfassung der Diskussionsbeiträge - Stand: 16.01.2026 16.01.2026
15773: Prozessoptimierung am Bau: Fragenkatalog für Experten – Arbeitsabläufe verbessern? 05.04.2015
- ✨ Beurteilung des Sachverhalts durch verschiedene KI-Systeme 16.01.2026
- Fragenkatalog-Kritik: Unklare Fragen im Bauwesen 05.04.2015
- Fragenkatalog-Optimierung: Mehrfachauswahl & Erklärungsfelder 06.04.2015
- 📌 Zusammenfassung der Diskussionsbeiträge - Stand: 16.01.2026 16.01.2026
15772: Bausachverständiger vs. Bauleiter: Aufgaben, Unterschiede & Verantwortlichkeiten? 01.04.2015
- ✨ Beurteilung des Sachverhalts durch verschiedene KI-Systeme 16.01.2026
- Bauleiter vs. Bausachverständiger: Konflikt bei Mängelanzeigen 01.04.2015
- ganz genau 01.04.2015
- 📌 Zusammenfassung der Diskussionsbeiträge - Stand: 16.01.2026 16.01.2026
15771: Spengler-Rechnung überschritten: Was tun bei Abweichungen vom Angebot? 23.03.2015
- ✨ Beurteilung des Sachverhalts durch verschiedene KI-Systeme 16.01.2026
- Spengler-Rechnung: Nachtragsangebot & Nachverhandlung 23.03.2015
- 📌 Zusammenfassung der Diskussionsbeiträge - Stand: 16.01.2026 16.01.2026
15770: Sockelputz notwendig? Kosten, Funktion & Unterschiede zu anderen Putzarten 27.02.2015
- ✨ Beurteilung des Sachverhalts durch verschiedene KI-Systeme 16.01.2026
- Sockelputz Alternative: Armierungsspachtelung statt P2? 28.02.2015
- Feedback erwünscht: Reaktion auf Sockelputz-Diskussion 04.03.2015
- Ich hatte keine Zeit 04.03.2015
- Abdichtung mit Dichtschlämme: Sockelputz überflüssig? 04.03.2015
- Wasserabweisender Putz: Alternative zum klassischen Sockelputz? 06.03.2015
- Druckfestigkeit vs. Sockelputz: Anforderungen & Alternativen 06.03.2015
- Ok Danke 07.03.2015
- Noppenfolie richtig montieren: Noppen zur Wand oder Platte? 07.03.2015
- Ok 08.03.2015
- 📌 Zusammenfassung der Diskussionsbeiträge - Stand: 16.01.2026 16.01.2026
15769: Feuchtigkeit zwischen Bodenplatte & Schweißbahn: Ursachen, Folgen & Sanierung? 26.02.2015
- ✨ Beurteilung des Sachverhalts durch verschiedene KI-Systeme 16.01.2026
- Nun... 26.02.2015
- Feuchtigkeit unter Schweißbahn: Ursachenforschung am Neubau 26.02.2015
- 📌 Zusammenfassung der Diskussionsbeiträge - Stand: 16.01.2026 16.01.2026
15768: Mängelanzeige Gewährleistungszeit prüfen: Rechte, Fristen & Vorgehen bei Baumängeln? 23.02.2015
- ✨ Beurteilung des Sachverhalts durch verschiedene KI-Systeme 16.01.2026
- Nach der Abnahme muss 24.02.2015
- Baumängel: Sachverständiger zur Beweissicherung ratsam 24.02.2015
- Baumängel: Handwerker – Pflicht zur Mängelbeseitigung 24.02.2015
- Baumängel: Selbstständiges Beweisverfahren bei Streit 24.02.2015
- hilfreiche Fotos 24.02.2015
- Baumängel: Gesamtschuldnerische Haftung Architekt/Unternehmer! 24.02.2015
- 📌 Zusammenfassung der Diskussionsbeiträge - Stand: 16.01.2026 16.01.2026
15767: Durchgangsrecht verweigern: Was tun? Rechte, Pflichten & Optionen für Grundstückseigentümer 12.02.2015
- ✨ Beurteilung des Sachverhalts durch verschiedene KI-Systeme 16.01.2026
- Durchgangsrecht: Löschung nur gemeinsam möglich! 12.02.2015
- Kostenaufstellung Instandhaltung: Lohnt sich Vorgehen? 12.02.2015
- Wegekosten: Aufstellung für Durchgangsrecht-Nutzung 12.02.2015
- Einigung zum Durchgangsrecht: Klärung mit Nachbarn 12.02.2015
- Durchgangsrecht: Grabenkrieg vermeiden! Lösung suchen 13.02.2015
- 📌 Zusammenfassung der Diskussionsbeiträge - Stand: 16.01.2026 16.01.2026
15766: Hausbau Wand falsch gemessen: Was tun bei Abweichungen im Rohbau? 15.01.2015
- ✨ Beurteilung des Sachverhalts durch verschiedene KI-Systeme 16.01.2026
- Raumgrößen-Abweichung: Ausgleich durch anderen Raum? 15.01.2015
- Küchenplanung: Auswirkungen der Wandabweichung auf Anordnung 16.01.2015
- Rohbaumaße vs. Fertigmaße: Küchenplanung – Aufmaß-Zeitpunkt 16.01.2015
- Küchenplanung beeinträchtigt: 11 cm Wandabweichung – Folgen 16.01.2015
- Reklamationspotential: Wandstärke vs. Rohbaumaße – Abweichung 16.01.2015
- 📌 Zusammenfassung der Diskussionsbeiträge - Stand: 16.01.2026 16.01.2026
15765: Grundstück geerbt: Was sind die nächsten Schritte zum Einfamilienhaus? Vorgehensweise & Planung 11.01.2015
- ✨ Beurteilung des Sachverhalts durch verschiedene KI-Systeme 16.01.2026
- Grundstück: Bebauungsplan & Bauweise – Erste Schritte 11.01.2015
- Hausbau planen: Architekt & umfassende Beratung 12.01.2015
- 📌 Zusammenfassung der Diskussionsbeiträge - Stand: 16.01.2026 16.01.2026
15764: Schiefe Wand bei Wohnungsabnahme: Ungleiche Fugen, Rechte des Käufers & Vorgehen? 04.01.2015
15763: Schornstein vor Fenster: Auswirkungen auf Brandschutz, Luftqualität & Wohnwert? 14.11.2014
- ✨ Beurteilung des Sachverhalts durch verschiedene KI-Systeme 16.01.2026
- Kamin notwendig? – Heizung vs. Spaßkamin prüfen 14.11.2014
- Hauptkamin über Fenster: Optik vs. Baurecht 14.11.2014
- Planungsfehler? – Schlot nicht in Bauzeichnung 14.11.2014
- Kaminkehrer-Check: Fenster, CO<sub>2</sub>-Melder, Vorschriften 14.11.2014
- Alternative: Kaminverlegung statt Wertminderung 14.11.2014
- 📌 Zusammenfassung der Diskussionsbeiträge - Stand: 16.01.2026 16.01.2026
15762: Planfreigabe "zur Ausführung bestimmt": Bedeutung, Konsequenzen & AG-Pflichten (VHB Bayern) 10.11.2014
- ✨ Beurteilung des Sachverhalts durch verschiedene KI-Systeme 16.01.2026
- Planfreigabe: Fachmann vs. Laie – Verantwortlichkeiten des AG 11.11.2014
- 📌 Zusammenfassung der Diskussionsbeiträge - Stand: 16.01.2026 16.01.2026
15761: Deckengleicher Sturz: Risiken, Einbau & Kosten im Überblick? 26.10.2014
- ✨ Beurteilung des Sachverhalts durch verschiedene KI-Systeme 16.01.2026
- Mehraufwand bei deckengleichen Stürzen: Einschätzung 26.10.2014
- Deckengleicher Sturz vs. Unterzug: Abrechnungsprobleme 26.10.2014
- Deckengleicher Sturz: Dank für ausführliche Antworten 27.10.2014
- Deckengleicher Sturz: Keine Ausführung Unterzugvariante – Keine Kohle! 27.10.2014
- Rollladenkasten: Deckengleicher Sturz erforderlich 27.10.2014
- 📌 Zusammenfassung der Diskussionsbeiträge - Stand: 16.01.2026 16.01.2026
15760: Eigenleistung beim Bauträger vor Übergabe: Was ist erlaubt? Rechte, Pflichten, Risiken 25.10.2014
- ✨ Beurteilung des Sachverhalts durch verschiedene KI-Systeme 16.01.2026
- Beweislastumkehr 26.10.2014
- Einzug ohne Abnahme: Rechtliche Konsequenzen im Bauvertrag 26.10.2014
- Eigenleistung vor Übergabe: Vertragsart entscheidend! 26.10.2014
- 📌 Zusammenfassung der Diskussionsbeiträge - Stand: 16.01.2026 16.01.2026
15759: Grundwasserabsenkung beim Neubau: Risiken für Altbau-Fundament & Schutzmaßnahmen? 23.10.2014
- ✨ Beurteilung des Sachverhalts durch verschiedene KI-Systeme 16.01.2026
- Grundwasserabsenkung: Genehmigungspflicht & Haftung für Schäden 24.10.2014
- 📌 Zusammenfassung der Diskussionsbeiträge - Stand: 16.01.2026 16.01.2026
15758: Kaminofenanschluss im Neubau unbrauchbar: Wertminderung, Schadenersatz & Rechte? 19.10.2014
- ✨ Beurteilung des Sachverhalts durch verschiedene KI-Systeme 16.01.2026
- Wertminderung Kaminofen: Argumente bei fehlender Nutzung 19.10.2014
- Wertminderung: Kamin als 'Lifestyle-Element' – Überraschung! 19.10.2014
- Prospekthaftung Bauträger: Klagegrundlage bei Kamin-Mangel? 20.10.2014
- Kaminofen im Neubau: Anspruch auf vertragsgemäße Leistung! 20.10.2014
- Kaminanschluss: Klärung der Begriffe – Ofen vs. Grundofen 20.10.2014
- Kaminanschluss im MFH: Baubeschreibung & Gemeinschaftseigentum 21.10.2014
- WEG & Bauträger: Kamin-Anschluss als 'Restarbeit' durchsetzen? 22.10.2014
- 📌 Zusammenfassung der Diskussionsbeiträge - Stand: 16.01.2026 16.01.2026
15757: Bauherrenrechnung prüfen: Bautenstand nicht erreicht – Was tun bei Abweichungen? 18.10.2014
- ✨ Beurteilung des Sachverhalts durch verschiedene KI-Systeme 16.01.2026
- Tag der Leistungserbringung 18.10.2014
- Bautenstand: Zahlung ohne Bauabnahme – Ihre Rechte! 18.10.2014
- Wenn der Bauträger 20.10.2014
- Bauträger-Rechnung: Ist es wirklich eine Schlussrechnung? 20.10.2014
- Abschlagszahlung: Nur erbrachten Bautenstand bezahlen! 20.10.2014
- 📌 Zusammenfassung der Diskussionsbeiträge - Stand: 16.01.2026 16.01.2026
15756: Eingangsstufe/Podest planen: Details, Dämmung & Abfluss – Was ist zu beachten? 01.10.2014
- ✨ Beurteilung des Sachverhalts durch verschiedene KI-Systeme 16.01.2026
- Eingangsstufe: Architekt für Detailplanung notwendig? 02.10.2014
- Podest: Lastverteilung durch Perimeterdämmung & Naturstein 03.10.2014
- Blockstufe/Natursteinplatte: Gewicht & Dämmung berücksichtigen 07.10.2014
- 📌 Zusammenfassung der Diskussionsbeiträge - Stand: 16.01.2026 16.01.2026
15753: Doppelparker zu klein für Kombi: Rechte, Mangel & Lösungsmöglichkeiten? 09.09.2014
- ✨ Beurteilung des Sachverhalts durch verschiedene KI-Systeme 16.01.2026
- Doppelparker-Mangel: Anwalt einschalten – Erfolgsaussichten & Risiken 10.09.2014
- Doppelparker-Fehlberatung: Unwissenheit des Verkäufers als Argument? 10.09.2014
- Kombi-Stellplatz: Mündliche Zusagen – Beweislast & Schadenersatz 15.09.2014
- 📌 Zusammenfassung der Diskussionsbeiträge - Stand: 16.01.2026 16.01.2026
15752: Balkon Eigentumswohnung: Sonder- oder Gemeinschaftseigentum? Rechte & Pflichten 02.09.2014
- ✨ Beurteilung des Sachverhalts durch verschiedene KI-Systeme 16.01.2026
- Balkon: Sondereigentum vs. Gemeinschaftseigentum – Rechte 02.09.2014
- Balkon Bausubstanz: Zwingend Gemeinschaftseigentum laut BGH 02.09.2014
- Balkon fehlend: Mangel bei Bezugsfertigkeit? Abnahme! 04.09.2014
- 📌 Zusammenfassung der Diskussionsbeiträge - Stand: 16.01.2026 16.01.2026
15751: Filigrandecke einseitig aufliegend: Ursachen, Risiken & Lösungen für sichere Statik? 01.09.2014
Anhang:
- ✨ Beurteilung des Sachverhalts durch verschiedene KI-Systeme 16.01.2026
- Filigrandecke: Statik prüfen – Bewehrungspläne entscheidend! 01.09.2014
- 📌 Zusammenfassung der Diskussionsbeiträge - Stand: 16.01.2026 16.01.2026
15750: Unabhängiger Gutachter Bau: Wann sinnvoll? Kosten, Ablauf & Vorteile im Überblick 31.08.2014
- ✨ Beurteilung des Sachverhalts durch verschiedene KI-Systeme 16.01.2026
- Baugutachter: Objektivität bei Bauträger-Beauftragung 01.09.2014
- Bau-Gutachten: Prüfung von Statik & Bauausführung 01.09.2014
- 📌 Zusammenfassung der Diskussionsbeiträge - Stand: 16.01.2026 16.01.2026
15749: Bodenplatte nachträglich gießen: Kosten, Vorgehen & Verbindung zum Streifenfundament? 27.08.2014
- ✨ Beurteilung des Sachverhalts durch verschiedene KI-Systeme 16.01.2026
- Empfehlung gesucht: Bodenplatte nachträglich gießen 28.08.2014
- Bodenplatte gießen: Randdämmstreifen an Streifenfundament 29.08.2014
- Randdämmstreifen: Material und Breite für Bodenplatte 30.08.2014
- Materialtipp: Polystyrol als Randdämmstreifen (10 mm) 01.09.2014
- 📌 Zusammenfassung der Diskussionsbeiträge - Stand: 16.01.2026 16.01.2026
|
|
BAU |
























